밀린 숙제나 한번 해봅니다~ ㅎ.ㅎ
아마 이건 예전에 얘기가 한번 나왔던거라 기억하시는 분이 많으실겁니다.
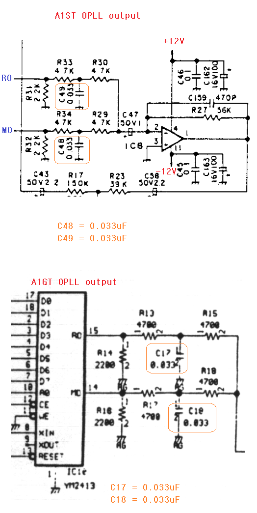
터보알 기종(A1ST/A1GT)의 OPLL 출력단은 캐패시터 용량이 레퍼런스 회로와 좀 다르게 되어있는데요.
레퍼런스 회로는 아래 YM2413 Application Manual 기준입니다.
참고로 아래는 FMPAC의 회로 일부분입니다.
(출처 http://www.ejunkelec01.shop/FMPAC_02a.pdf)
MSX2+ 기종(A1WX)도 마찬가지입니다.
위의 두 회로를 보면 MO, RO 사운드 출력에 0.015uF 캐패시터가 들어갑니다.
근데 turboR은 0.033uF으로 들어있어요.
ST/GT의 회로도에는 아래처럼 되어있습니다.
이것 때문에 기존 MSX2+의 OPLL 소리보다 좀 먹먹(?)하게 들린다는 얘기가 있었어요.
실제로 들어보면, A1 + FMPAC 또는 A1WSX에 비해 A1GT가 약간 답답하게 들리긴합니다.
참고로, 저항 + 캐패시터가 Low pass filter 역할을 하게 되는데,
캐패시터 용량이 작아지면 cutoff 주파수가 올라가니까, 고음이 더 크게 들리게 됩니다.
구글링 해보니 일본 아자씨도 요걸 0.015uF으로 바꾸는 개조를 하더라구요.
그.래.서. 저도 뚜따를 했습니다.
이거 개조하려면 메인보드 아랫쪽의 부품을 교체해야되서, 좀 귀찮아요...
(그 땜에 작업을 2년이나 미뤘다는 전설이..ㅋ)
아래 사진에서 보이는 캐패시터 두개를 교체합니다.
칩은 디바X스 마트에서 구입했습니다. ㅎ.ㅎㅋ
아래는 교체 후 찍은 사진입니다. (검댕이가 좀 붙어있네요ㅋ)
교체 후 들어오니 조금 변화가 있는 것 같으네요. (플라시보 효과?)
제대로 비교하려면 WSX랑 GT 출력을 녹음해서 봐야겠지요. 귀찮아서 포기 ㅎ.ㅎb
그럼, 즐거운 월욜밤 되셔요!






댓글 없음:
댓글 쓰기